CP 1 AC

Ipari relé modul 1 váltóérintkezővel.

  • Vezérlőfeszültség: 24/48/110/230 V AC
  • Érintkezőnkénti terhelhetőség: 16 A
  • Váltóérintkezők száma: 1
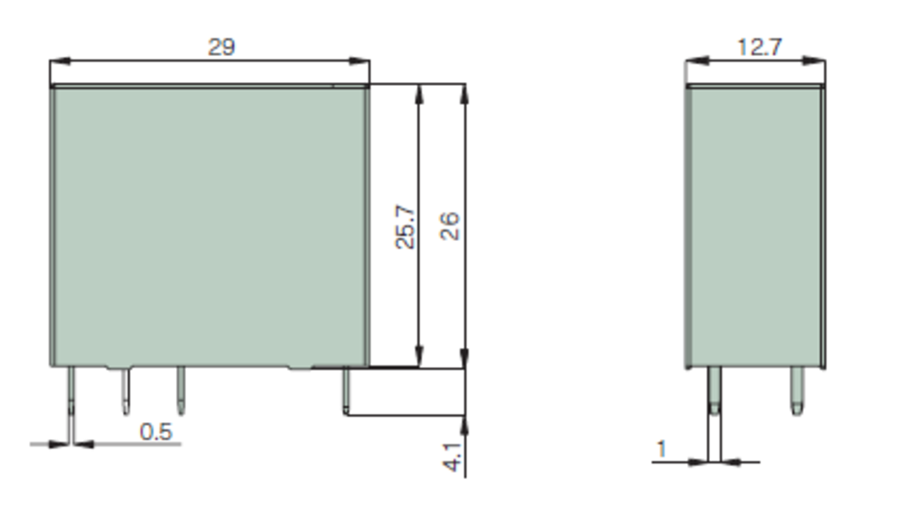
  • 12,7 mm széles
  • CE, UL és RoHS kompatibilis.
Cikkszám: SA-CP1C-A... Kategória: Érdeklődés

Leírás

Ez a CP sorozatú ipari relé modul egy váltóérintkezővel rendelkezik, így elegendő egy áramkör megbízható vezérlésére. A változatok különböző feszültségszinteken érhetők el, 24/48/110/230 V AC vezérlőfeszültséggel működnek, és 16 A terhelésre vannak tervezve.

A relé kompatibilis a CP foglalatokkal, ami leegyszerűsíti a bekötési folyamatot.
Emellett megfelel a CE, UL és RoHS szabványoknak.