CS 2 DC LT

Ipari relé modul 2 váltóérintkezővel.

  • Vezérlőfeszültség: 12/24/48/110 V DC
  • Érintkezőnkénti terhelhetőség: 8 A
  • Váltóérintkezők száma: 2
  • LED és mechanikus állapotvisszajelzés
  • Tesztgomb és kézi reteszelés
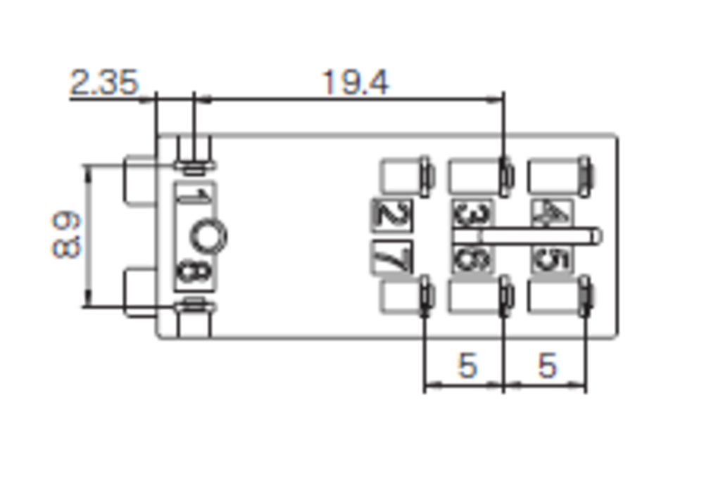
  • 12,7 mm széles
  • CE, UL, TÜV és RoHS kompatibilis.
Cikkszám: SA-CS2C-D...-T Kategória: Érdeklődés

Leírás

Ez a CS sorozatú ipari relé modul két váltóérintkezővel rendelkezik, így sokoldalúan használható több áramkör vezérlésére. A változatok különböző feszültségszinteken érhetők el, 12/24/48/110 V DC vezérlőfeszültséggel működnek, és 8 A érintkezőnkénti terhelésre vannak tervezve. A LED-es és mechanikus állapotvisszajelzés jól látható információt ad a relé állapotáról, míg a tesztgomb lehetővé teszi a manuális tesztelést és reteszelést.

A relé kompatibilis a CS aljzattal, ami leegyszerűsíti a bekötési folyamatot.
Emellett megfelel a CE, UL, TÜV és RoHS szabványoknak.