CP 1C-AC-KIT

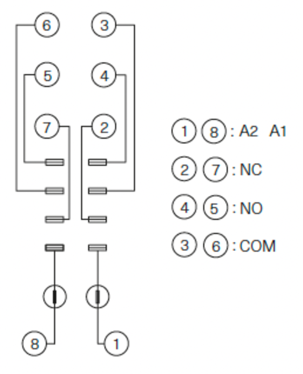
Előre összeállított relé készlet 1 váltóérintkezővel.

  • Vezérlőfeszültség: 24/48/110/230 V AC
  • Érintkezőnkénti terhelhetőség: 16 A
  • Érintkezők száma: 1
  • LED-es állapotkijelzés és beépített szabadonfutó (flyback) dióda
  • Rugós vezetékezés
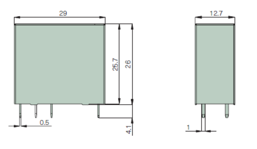
  • 16,5 mm széles
  • CE, UL és RoHS kompatibilis
Cikkszám: SA-CP1C-A....-PM Kategória: Érdeklődés

Leírás

A CP 1C AC KIT egy előre összeszerelt kombinációja a CP sorozat 24/48/110/230 V AC-s ipari reléjének, és egy rugós csatlakozású foglalatnak. Az ilyen típusú foglalatok megkönnyítik a vezetékezési folyamatot. Az egy váltóérintkező lehetővé teszi egy elektromos áramkör vezérlését. A relé érintkezőnként magas, 16 A terhelhetőséget képes kezelni.

A kitben található AGS MDDL kiegészítőnek köszönhetően ez a relé LED-es állapotkijelzést és egy szabadonfutó (flyback) diódát is tartalmaz.

Ez a készlet 16,5 mm széles, így kevés helyet foglal el a vezérlőszekrényben.
Emellett megfelel a CE, UL és RoHS szabványoknak.