Leírás
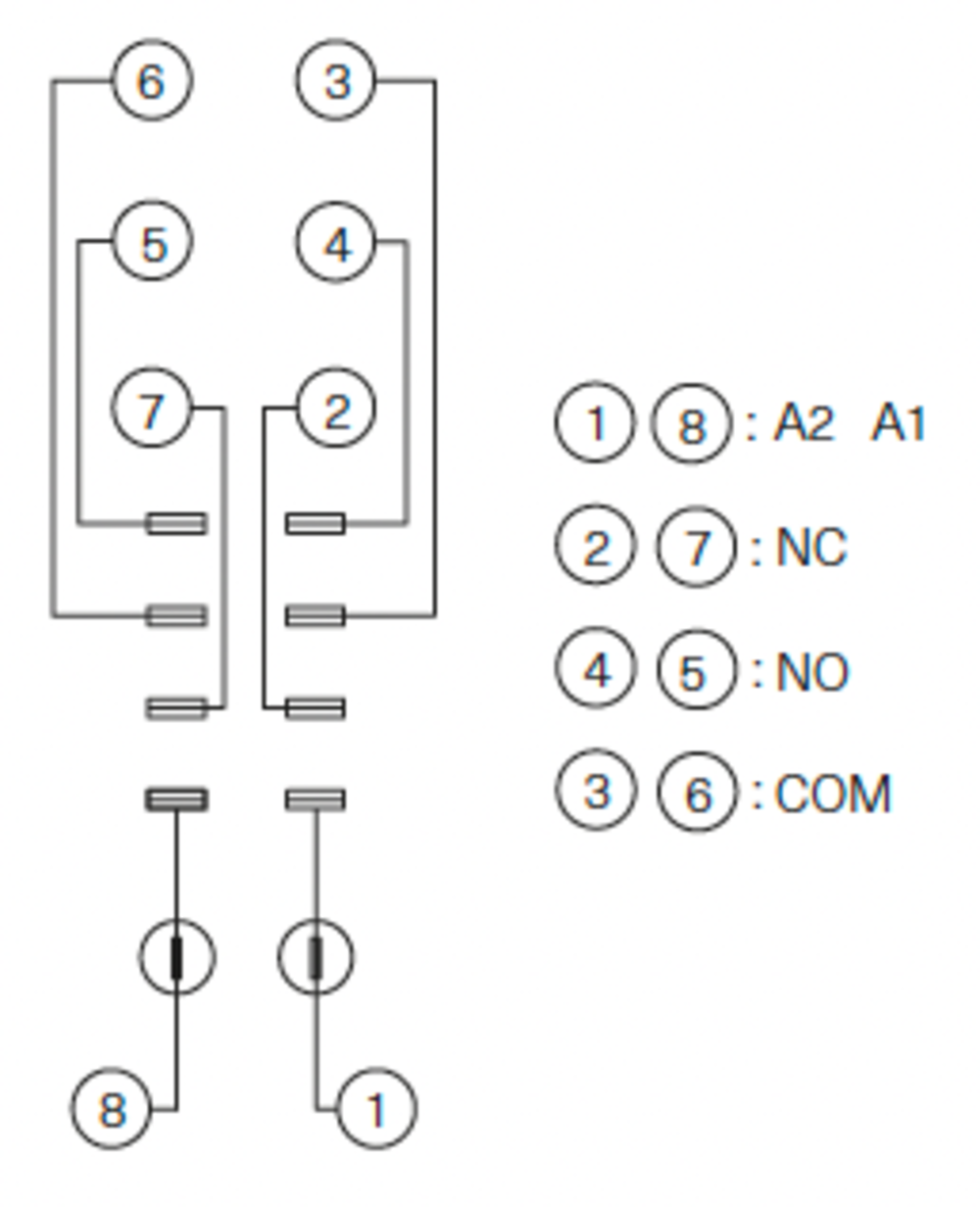
A CP 1C DC KIT egy előre összeszerelt kombinációja a CP sorozat 12/24/48/110 V DC-s ipari reléjének, és egy rugós csatlakozású foglalatnak. Az ilyen típusú foglalatok megkönnyítik a vezetékezési folyamatot. Az egy váltóérintkező lehetővé teszi egy elektromos áramkör vezérlését. A relé érintkezőnként magas, 16 A terhelhetőséget képes kezelni.
A kitben található AGS MDDL kiegészítőnek köszönhetően ez a relé LED-es állapotkijelzést és egy szabadonfutó (flyback) diódát is tartalmaz.
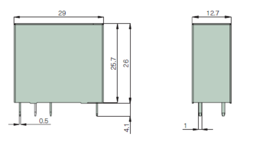
Ez a készlet 16,5 mm széles, így kevés helyet foglal el a vezérlőszekrényben.
Emellett megfelel a CE, UL és RoHS szabványoknak.
















