Leírás
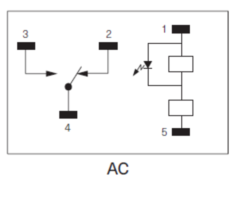
Ez a CS sorozatú ipari relé modul egy váltóérintkezővel rendelkezik, így elegendő egy áramkör megbízható vezérlésére. A változatok különböző feszültségszinteken érhetők el, 24/48/110/230 V AC vezérlőfeszültséggel működnek, és 12 A terhelésre vannak tervezve. A LED-es állapotvisszajelzés jól látható információt ad a relé állapotáról.
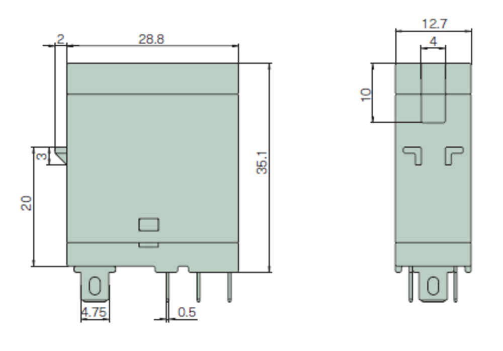
A relé kompatibilis a CS aljzattal, ami leegyszerűsíti a bekötési folyamatot.
Emellett megfelel a CE, UL, TÜV és RoHS szabványoknak.












