Leírás
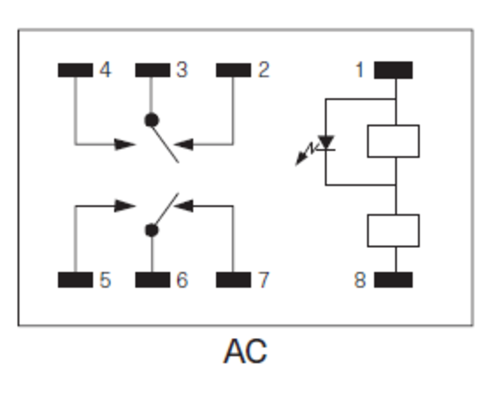
Ez a CS sorozatú ipari relé modul két váltóérintkezővel rendelkezik, így sokoldalúan használható több áramkör vezérlésére. A változatok különböző feszültségszinteken érhetők el, 24/48/110/230 V AC vezérlőfeszültséggel működnek, és 8 A érintkezőnkénti terhelésre vannak tervezve. A LED-es állapotvisszajelzés jól látható információt ad a relé állapotáról.
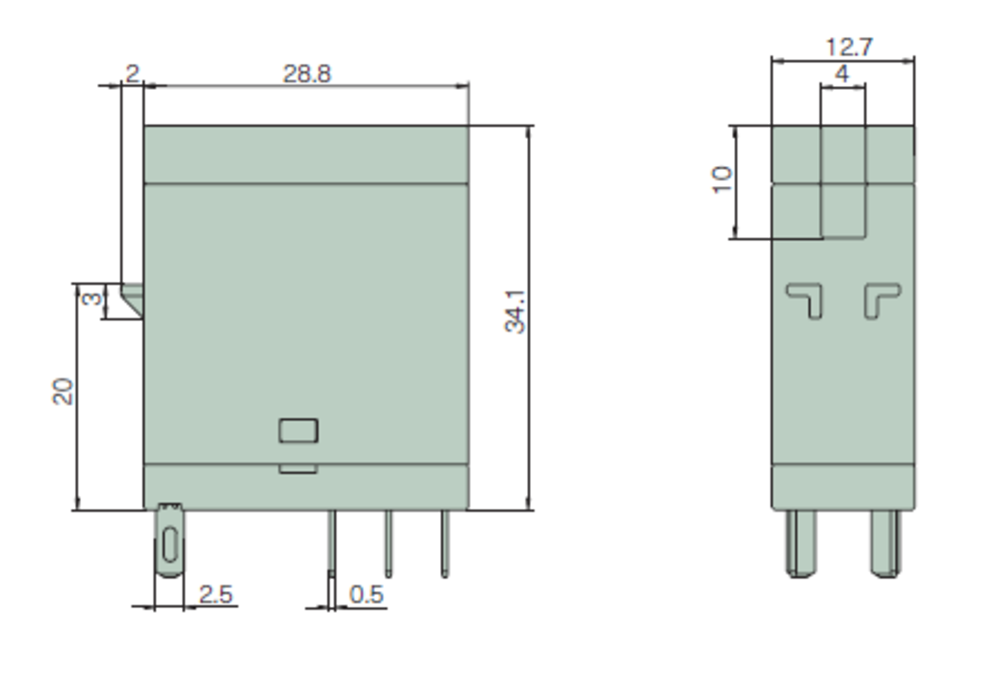
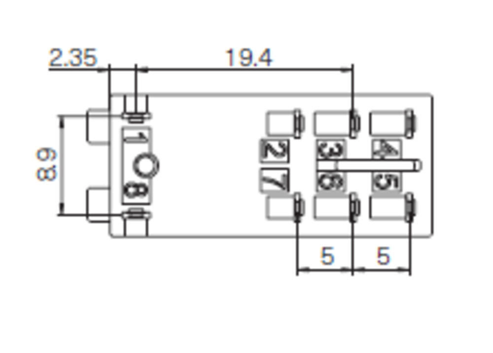
A relé kompatibilis a CS aljzattal, ami leegyszerűsíti a bekötési folyamatot.
Emellett megfelel a CE, UL és RoHS szabványoknak.












